Settings Menu Tab – GEN-II and EchoONE

RESEPI User Manual

Settings Menu Tab #

Geometry Tab Window #

The Geometry tab allows you to configure the coordinate system and alignment settings of the IMU and antenna on your payload. The following steps outline the necessary configurations:

Coordinate Axes and IMU Location #

    • IMU Orientation: The coordinate axes of the IMU in the payload are consistent across all RESEPI and EchoONE units, though some units may be rotated. Review the orientation references for specific payloads, as shown below.

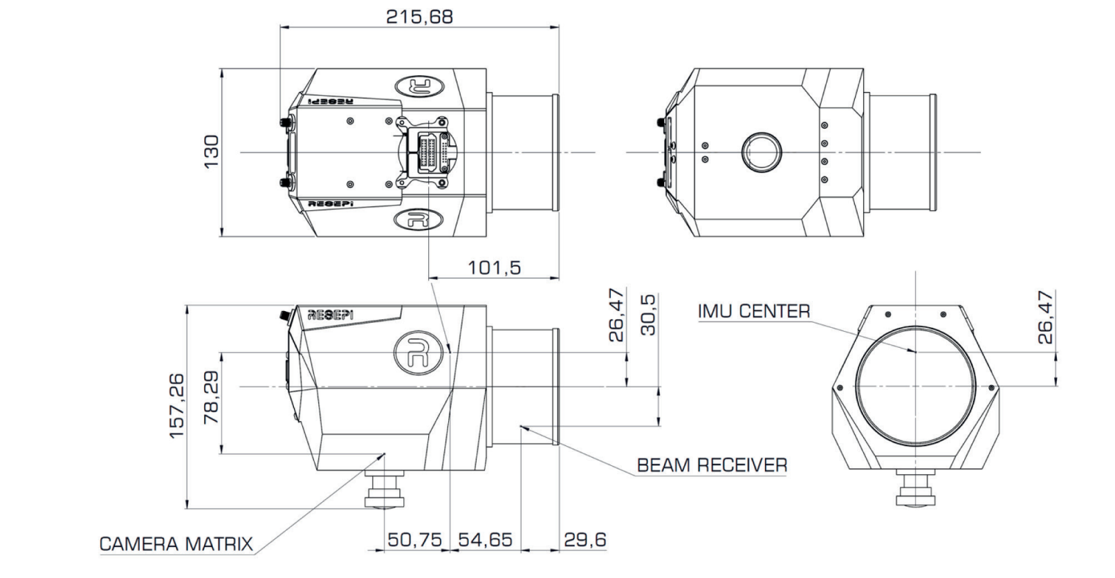
    • IMU Location: Below illustrates the IMU’s location inside the payload. Dimensions are provided in millimeters.
Figure 1. Orientation References Shown on the RESEPI Gen-II M2X Payload.
Figure: Orientation References Shown on the RESEPI Gen-II M2X Payload
Figure 2. The IMU's Location Inside the Payload.
Figure: The IMU's Location Inside the Payload
Figure: Shows EchoONE Orienation visualization
Figure: Shows EchoONE IMU center and measurement diagram

IMU to Antenna Offset #

  • Input the antenna’s location relative to the internal IMU using the provided orientation references, as shown below. Measure the distance from the IMU to the antenna’s center, adjusting for any antenna positioning that is left, behind, or below the unit. Accurate values are crucial for missions as they influence real-time processing in RTK and recording for PPK. For the best data quality, ensure precision in these measurements.
Figure 3. IMU to Antenna Offset.
Figure: IMU to Antenna Offset

IMU to Secondary Antenna Offset #

  • For a secondary antenna attached (if supported), enter the relative location of the second antenna in the “IMU to Second Antenna Offset” section, as shown below. Measure from the internal IMU to the second antenna in the right, forward, and up directions.
Figure 4. IMU to Second Antenna Offset.
Figure: IMU to Second Antenna Offset

Vehicle to IMU Rotation #

  • Input the relative offset angles (axis misalignment) between the IMU and vehicle coordinate axes. This must be done before starting data capture to ensure proper data processing. Adjust yaw, pitch, and roll angles as needed, with values ranging from -180 to 180 degrees. Common configurations include:
    • 0, 0, 0: No rotation needed.
    • 180, 0, 0: 180 degrees rotation in yaw needed.
    • -90, 0, 90: -90 degrees in yaw and 90 degrees in roll needed.
    • 180, -90, 0: 180 degrees in yaw and -90 degrees in pitch needed.
  • For specific orientation queries, contact RESEPI support with an image of the unit mounted on the vehicle.

Alignment Settings #

  • Static Time: Set to 5 seconds (recommended) unless the vehicle cannot remain stationary for this period, as shown below. This duration is used to estimate gyro biases for data filtering.
  • Kinematic Time: Default is 4 seconds, useful for heading correction.
  • Kinematic Velocity: Defines the velocity requirement for heading correction. Ensure the payload reaches the specified velocity during the “Kinematic Time” to correct heading.
Figure 5. Alignment Settings.
Figure: Alignment Settings

Field of View #

  • Adjust the LiDAR’s field of view to control the default fov data range displayed in PCMasterPro. This setting does not restrict data capture but affects the range of data points populated in PCMasterPro. Default setting is 90 degrees (135-225) for scanners with 360 degree FOV, as shown below.
Figure 6. FOV Settings.
Figure: FOV Settings

Connectivity Tab Window #

The Connectivity tab includes settings for wireless networks and RTCM corrections:

  1. Wireless Network Settings

    • Configure the payload to connect to an external Wi-Fi network (WPA/WPA2 Personal networks only). If no network is available, the payload will broadcast its unique Wi-Fi network. Adjust the frequency band based on the drone’s signal: 5 GHz for 2.4 GHz drones and 2.4 GHz for 5 GHz drones. Save the SSID and passphrase, then apply the settings. If the connection fails, the payload will revert to broadcasting its network. To reset the Wi-Fi to its default SSID and passphrase, create a file named “wifi-reset” and save it on the USB drive.

  2. RTCM Corrections

    • In the options for “RTCM Corrections” the user can choose the delivery method for corrections to the payload, as shown below. The options are:

      • USB RF Modem like Holybro 915MHz
      • NTRIP Client
      • TCP Server the payload connects to
      • TCP Client connecting to the payload’s pre-defined port.

      Click “Save” to save the changes. The payload will immediately start trying to connect to the selected channel.

      • If “TCP Listen” is selected, the payload will always listen on the port, and once a client connects to the port, the payload will accept the connection.
      • If “USB RF Modem” is selected, the payload will automatically detect connection of a compatible USB RF Modem and open the serial link.
      • If “NTRIP Client” or “TCP Connect” is selected, the payload will keep trying to connect to the specified address until it succeeds.

      Once a connection is established, the payload will start sending its position in a NMEA0183 $GPGGA message, so a virtual reference station can be generated. Real base stations ignore those messages. Once the payload receives RTCMv3 corrections, it will use them to compute RTK position. It will also record the RTCMv3 messages it has received while recording data, so they can be used for post-processing as well.

      Click “Restore” to discard any unsaved changes

Figure 2. RTCM Connection Parameters.
Figure: RTCM Corrections Parameters

Boresight Tab Window #

The Boresight tab allows you to view and update the boresighting alignment and offset values, as shown below. Use the “Read from PCMasterPro .pcmp Project” button to load updated values into the system.

Figure 8. The Boresight Information.
Figure: The Boresight Information

Camera Tab Window #

The Camera tab facilitates communication with external cameras and configuration of camera settings, as shown below:

  1. Camera Configuration
    • View and modify angular and linear offsets, and calibration parameters. To load new parameters, select “Read from PCMasterPro .pcpp File”.
  2. Trigger Period
    • Adjust the camera trigger period to set the interval between images during data recording. The minimum trigger period is 2 seconds. After saving, the unit will restart, indicated by two camera clicks. Refresh the webpage and select “Reload” to verify new settings.
  3. Internal Cameras
    • If needing to disable the internal camera of RESEPI, whether for LiDAR only or for external camera applications, this toggle will enable/disable the internal camera.
Figure: Shows Camera tab settings

Firmware Tab Window #

To install firmware updates provided by Technical Support, load the firmware file onto a USB drive, connect it to the payload, and use the “Install” button under the Firmware tab. The unit will install the firmware and reboot. The current firmware version is displayed in the GUI, as shown below. In the case of installing INS firmware, the unit will remain on and the Status will indicate the percent completion.

Figure: Shows Firmware update settings

INS Service Tab Window (COM4, Cloud Streaming) #

The INS Service tab is used for direct communication with the GNSS receiver:

  1. Command and Output

    • Enter commands in the “Command” line and click “Send command” to interact with the receiver. Use “Get more output” button for continuous output from the receiver.
  2. Secondary Antenna
    • Toggle recording secondary antenna data for dual antenna setup.
    • Select between “On” and “Off” and click “Save”.
  3. INS COM4
    • Do not change these settings unless you are aware of the changes being made.
    • Choose data input or output type to the COM4 port. For detailed descriptions of data format types please reference the Inertial Labs INS ICD.
    • Choose the data rate
    • Choose the throughput rate
    • Query Settings From INS for COM4 port
    • Save the final Settings with the “Save COM4 Settings” button
  4. Payload Service
    • Do not change these settings unless you are aware of the changes being made.
    • Toggle switch on and off payload service. This is a development feature.
  5. INS Power
    • Toggle power on the INS inside RESEPI or EchoONE. Allows the user to power cycle the INS after changes.
  6. Restore Default INS Firmware and Parameters
    • Used in the case of INS errors, selecting “Restore INS” will configure the factory default INS settings. This will rarely be used, and only applicable when changing INS firmware.
  7. Point Cloud Streaming
    • Allows the user to apply a reflectivity range to streaming point cloud data based on scanner reflectivity limit.
    • If the scanner reflectivity is 4 bit, upper bound is 65535. If the scanner reflectivity is 2 bit, the upper bound is 255.
Figure: Show INS Service settings tab

LiDAR Service Tab Window #

Configure LiDAR-specific settings using the LiDAR Service tab, as shown in the figures below:

  • XT-32 Scanners:
    • For GEN II models with XT32M2X option:
      • Spin Rate: Select the spin rate of the scanner between 300, 600 and 1200. (All units are default boresighted to 600 rpm and changing this setting without correcting the boresight could result in point cloud misalignment).
      • Return Mode: Select the return options from Last, First and Strongest and a combination of them. 
      • Clock source, GPS etc.

The user is not recommended to change any of the lidar settings unless under the supervision of the support from Inertial Labs. Changing these settings can cause problems with data and accuracy.

Figure 12. Lidar Settings Tab.
Figure: Lidar Settings Tab
  • For Ouster Scanner
    • For GEN II models with Ouster OS1-64 option:
      • Operating Mode: The sensor can be commanded in and out of a low-power Standby Operating Mode that can be useful for power, battery, or thermal-conscious applications of the sensor.
      • Azimuth Window: Azimuth window selection is a feature to only turn on the UDP lidar data within a region of interest. The region of interest is defined by a min bound and a max bound, both in millidegrees.
      • Lidar Mode etc.
Figure 13. Lidar Settings Tab.
Figure: Lidar Settings Tab
  • For EchoONE Scanner
    • For EchoONE lasers powered by RESEPI:
      • Laser Pulse Repetition Frequency: Controls the laser pulses per second, allowing for increased point density with the added risk of minor range ambiguities.
      • EchoONE Mode: Controls the state at which the laser is operating. Most cases will only require Flight mode.
Figure: Shows EchoONE LiDAR Service tab

Hardware  #

Shows any Hardware Error flags that the onboard health system detects, as shown below. It can be cleared by pressing the “Clear” button. If any hardware related flags come up, please reach out to RESEPI support.

Figure 14. Hardware flags window.
Figure: Hardware flags window

Licenses  #

Contains the license manifest for RESEPI GEN-II or EchoONE.